Реле контроля фаз для сетей с изолированной нейтралью CKF-11 (монтаж на DIN-рейке 35мм; регулировка задержки отключения; контроль чередования фаз; 3х400В 8А 1Z 1R IP20)(аналог ЕЛ-11Е) F&F EA04.004.003
По Екатеринбургу стоимость:
- При заказе от 30 000 рублей и весом до 30кг. - бесплатно в пределах ЕКАД.
- При заказе до 30 000 рублей или весом более 30кг. - платно, выполняется курьерской службой. Стоимость зависит от веса и адреса доставки (в пределах, либо за пределами ЕКАДа), рассчитывается автоматически при оформлении заказа.
Срок доставки: 1-2 рабочих дня, если заказ сделан и оплачен сегодня до 16:00, или 2-3 рабочих дня, если заказ сделан и оплачен сегодня после 16:00.
- Банковские карты UnionPay, Мир
- Юридические лица (работаем с НДС)
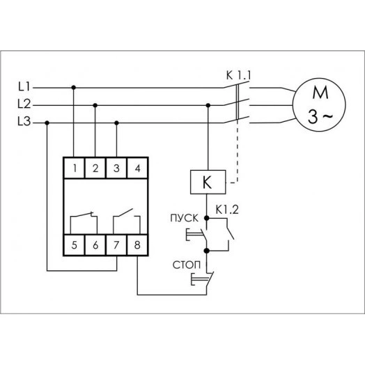
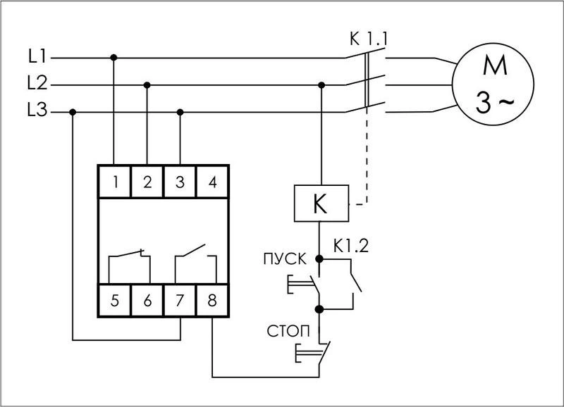
Реле контроля фаз серии "CKF"
Монтаж на DIN-рейку.
Предназначено для защиты электродвигателей и электроустановок, питаемых от трехфазной сети в случаях: отсутствия хотя бы одной из фаз, асимметрии напряжения, снижения напряжения менее 320 В, повышения напряжения более 480 В, нарушении чередования фаз.
Принцип работы
Если напряжение в пределах нормы, контакты исполнительного реле замкнуты и на контактор управления электродвигателем подается напряжение, управляющее его включением. В случае одной из вышеперечисленных аварийных ситуаций контакты реле размыкаются и контактор отключается. Включение происходит автоматически после восстановления сетевого напряжения питания.
Особенности:
контроль наличия фаз;
контроль асимметрии между фазами;
контроль нижнего значения напряжения;
контроль верхнего значения напряжения;
контроль чередования фаз;
напряжение питания 3x400 В AC;
контакт - 1NO, 1NC (2x8 А).
Характеристики Евроавтоматика F&F EA04.004.003
-
Вес0.1054
-
Длина0.106
-
Ширина0.076
-
Высота0.036
- Ширина35 мм
- Глубина65 мм
- Высота90 мм
- Количество размыкающих контактов1
- Количество замыкающих контактов1
- Функция контроля порядка чередования фазДа
- Функция обнаружения обрыва фазыДа
- Функция обнаружения пониженного напряженияДа
- Функция обнаружения перенапряженияДа
- Функция обнаружения асимметрии фазДа
- Максимально допустимое время задержки срабатывания без выдержки2 с
- Минимальное регулируемое время задержки срабатывания без выдержки2 с
- Максимально допустимое время задержки10 с
- Минимальное регулируемое время задержки.5 с






