Пластина для крепления ВРМ-50 к стене горячеоцинкованная

Артикул: BMD2032HDZ
Производитель: DKC
994.26 руб./шт
Наличие:
Нет в наличии
Доставка

По Екатеринбургу стоимость: 

  • При заказе от 30 000 рублей и весом до 30кг. - бесплатно в пределах ЕКАД. 
  • При заказе до 30 000 рублей или весом более 30кг. - платно, выполняется курьерской службой. Стоимость зависит от веса и адреса доставки (в пределах, либо за пределами ЕКАДа), рассчитывается автоматически при оформлении заказа.

Срок доставки: 1-2 рабочих дня, если заказ сделан и оплачен сегодня до 16:00, или 2-3 рабочих дня, если заказ сделан и оплачен сегодня после 16:00.

Оплата
  • Банковские карты UnionPay, Мир
  • Юридические лица (работаем с НДС)
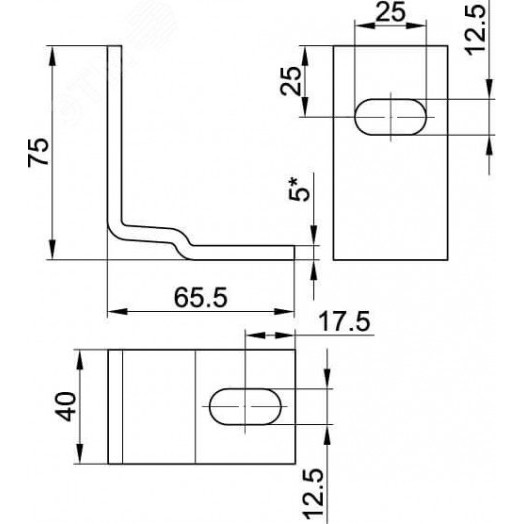
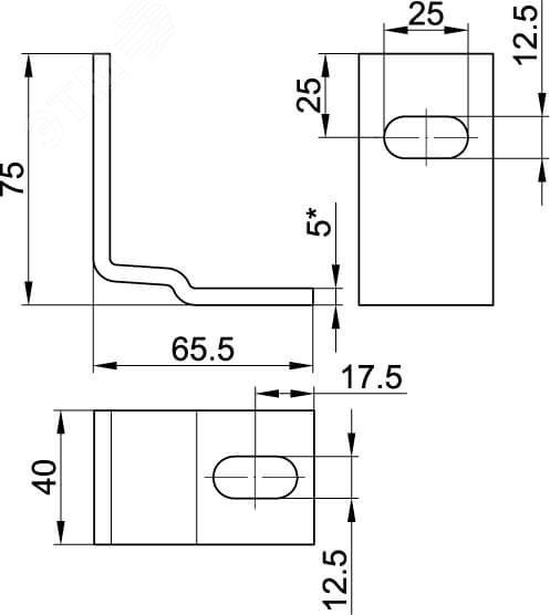
Крепежная пластина BMD2032, применяется для крепления I-образных профилей ВРМ-50 к стене. Толщина стали 5 мм. Противокоррозионное цинкнаполненное покрытие повышает срок службы изделия в условиях агрессивных сред и высокой влажности.

Характеристики DKC BMD2032HDZ

  • Вес
    0.201
  • Длина
    0.07
  • Ширина
    0.07
  • Высота
    0.04
  • Цвет
  • Покрытие
    Горячий цинк
  • Тип изделия
  • Высота, мм
    75
  • Ширина, мм
    40
  • Длина, мм
    65.5
  • Материал изделия
  • Рекомендованный проектный ассортимент
    Да
Оценка

С BMD2032HDZ часто покупают

    Подвес потолочный STRUT 41х41-1500 HDZ
    2897.34 руб./шт
      Подвес потолочный STRUT 41х41-1800 HDZ
      3334.51 руб./шт
        Подвес потолочный STRUT двойной 41х41-1900 HDZ
          Подвес потолочный STRUT двойной 41х41-1400 HDZ
          4636.36 руб./шт
            Подвес потолочный STRUT двойной 41х21-400 HDZ
            1534.16 руб./шт