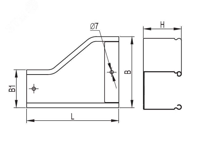
Переходник RRS левосторонний 600/400 H100 в комплекте с крепежными элементами и соединительными пластинами

Артикул: 36478K
Производитель: DKC
4466.60 руб./упак
Доставка

По Екатеринбургу стоимость: 

  • При заказе от 30 000 рублей и весом до 30кг. - бесплатно в пределах ЕКАД. 
  • При заказе до 30 000 рублей или весом более 30кг. - платно, выполняется курьерской службой. Стоимость зависит от веса и адреса доставки (в пределах, либо за пределами ЕКАДа), рассчитывается автоматически при оформлении заказа.

Срок доставки: 1-2 рабочих дня, если заказ сделан и оплачен сегодня до 16:00, или 2-3 рабочих дня, если заказ сделан и оплачен сегодня после 16:00.

Оплата
  • Банковские карты UnionPay, Мир
  • Юридические лица (работаем с НДС)
Элементы, входящие в состав системы ''S5 Combitech'' позволяют предусмотреть любые особенности проектирования и монтажа трассы. При построении кабельных трасс может возникать ситуация, когда требуется увеличить или уменьшить ширину лотка. Для этого применяется переходник (редукция) - аксессуар, имеющий разную ширину в начале и в конце. Левосторонняя редукция - аксессуар, который расширяется с левой стороны. Такой конструктив позволяет размещать переходник вплотную к стене. Ширина его составляет 400 мм в узкой части и 600 мм - в широкой. Максимальная степень пыле- и влагозащиты - IP44 (при использовании вместе с крышкой). Высота - 100 мм. Исполнение - ''сталь, оцинкованная по методу Сендзимира''. В состав комплектного аксессуара входят необходимые крепежные элементы и соединительные пластины.

Характеристики DKC 36478K

Оценка

С 36478K часто покупают

    Переходник центральный 100х300-400 мм ПЛЮС
    3971.54 руб./шт
      Переходник правый 80х100-500 мм ПЛЮС
        Переходник по высоте 50х80х100 мм
        436.44 руб./шт
          Переходник Н100х200
          1167.77 руб./шт
            Переходник по высоте 50х80х400 мм
            637.91 руб./шт