Ответвитель-переходник TDSA Т-образный вертикальный 80/150 в комплекте с крепежными элементами и соединительными пластинами

Артикул: 37602K
Производитель: DKC
5169.21 руб./упак
Доставка

По Екатеринбургу стоимость: 

  • При заказе от 30 000 рублей и весом до 30кг. - бесплатно в пределах ЕКАД. 
  • При заказе до 30 000 рублей или весом более 30кг. - платно, выполняется курьерской службой. Стоимость зависит от веса и адреса доставки (в пределах, либо за пределами ЕКАДа), рассчитывается автоматически при оформлении заказа.

Срок доставки: 1-2 рабочих дня, если заказ сделан и оплачен сегодня до 16:00, или 2-3 рабочих дня, если заказ сделан и оплачен сегодня после 16:00.

Оплата
  • Банковские карты UnionPay, Мир
  • Юридические лица (работаем с НДС)
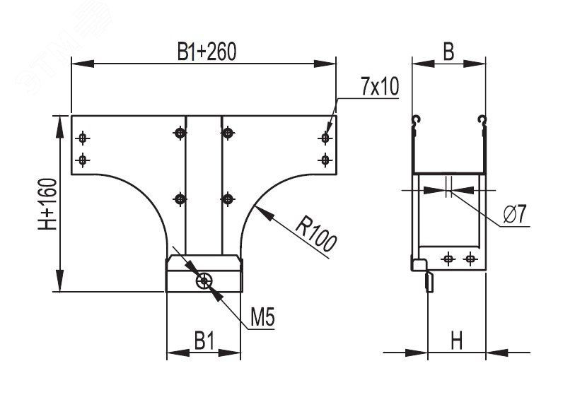
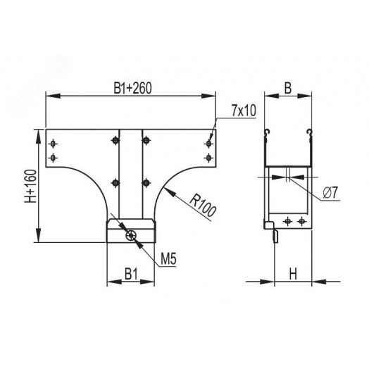
Ответвители - это аксессуары, облегчающие построение кабельных трасс сложной геометрии, с поворотами и изгибами. Они позволяют создавать ответвления кабельной трассы. Ответвитель-переходник TDSA имеет Т-образную форму и применяется для организации поворотов и ответвлений в вертикальной плоскости. Его конструктив обеспечивает плавный поворот и предупреждает повреждение кабеля при прокладке. При применении вместе с крышкой обеспечивается высокая степень пыле- и влагозащиты кабеля - до IP44, и при этом простой доступ к кабелю, т.к. крышку можно снять при необходимости. Исполнение - ''сталь, оцинкованная по методу Сендзимира''. Высота боковой стенки лотка - 80 мм, ширина в горизонтальном направлении - 80 мм, ширина в вертикальном направлении - 150 мм. В комплект входят элементы, необходимые для качественного и надежного монтажа - соединительные пластины и крепежные элементы.

Характеристики DKC 37602K

Оценка

С 37602K часто покупают

    Х-разветвитель 50х200 мм
    2175.96 руб./шт
      Ответвитель крестовой 80х100-1,2мм
      2653.86 руб./шт
        Т-образный ответвитель с крышкой Стандарт 400х50
        3892.02 руб./шт